Technical Drawings & Datasheets
Our technical drawings & datasheets are designed for clients who require clear, detailed, and precise documentation for their engineering and manufacturing projects.
We understand the importance of creating accurate and comprehensive technical drawings as they serve as the foundation for successful project implementation. We work closely with clients to understand their specific project requirements and produce technical drawings that meet or exceed their expectations.
We use industry-standard software and tools to create 2D and 3D drawings, as well as provide accurate measurements, annotations, and specifications to ensure that the final product is of the highest quality.
Whether you need drawings for single components or assembly drawings complete with Bill of Materials (BOMs), our drawings will help you effectively communicate design specifications with vendors and staff.
Product Datasheets provides you with a powerful tool to effectively communicate design specifications, features, and key information about your products. Datasheets excel in presenting information in a format that is easily digestible and visually appealing. Conveying complex technical information can be a challenge, which is why we focus on creating datasheets that simplify the message without compromising accuracy.
Regardless of whether you are presenting to engineers, purchasing managers, or end-users, datasheets bridge the gap between technical complexities and general understanding. This ensures that your audience, regardless of their technical background, can easily grasp the value and benefits your products offer.
By leveraging our data sheets, you empower your sales team with a valuable tool that supports their efforts in converting leads and closing deals. Datasheets are not only valuable for digital distribution but also perfect for printing and physical distribution. They serve as versatile marketing collateral that can be handed out at conventions, trade shows, and meetings, allowing you to effectively showcase your products and generate interest among potential customers and clients.
Tap Start Your Project to secure comprehensive manufacturing documentation and marketing collateral for your projects and team.
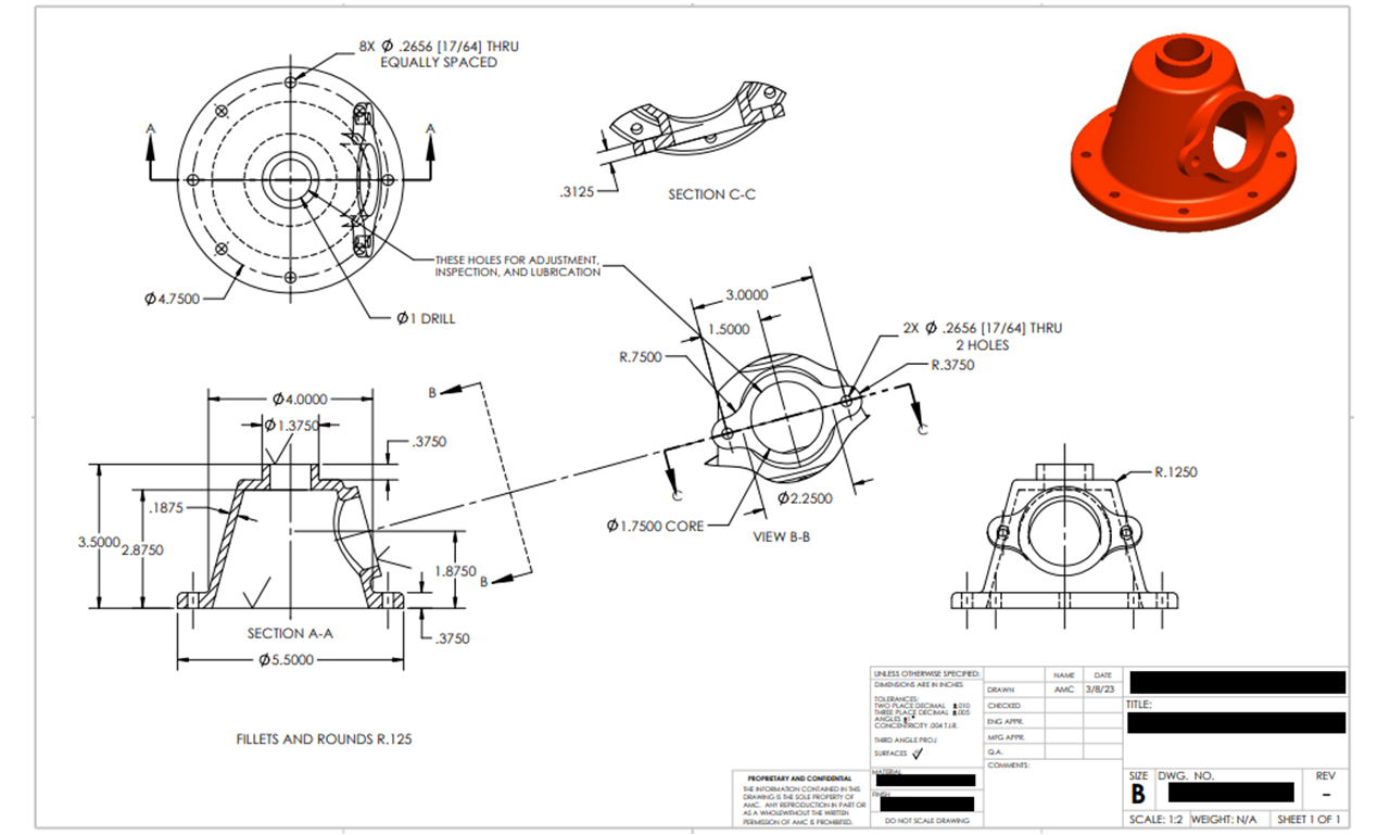
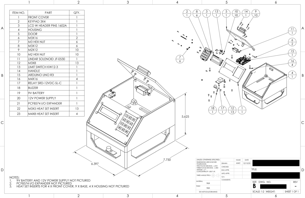
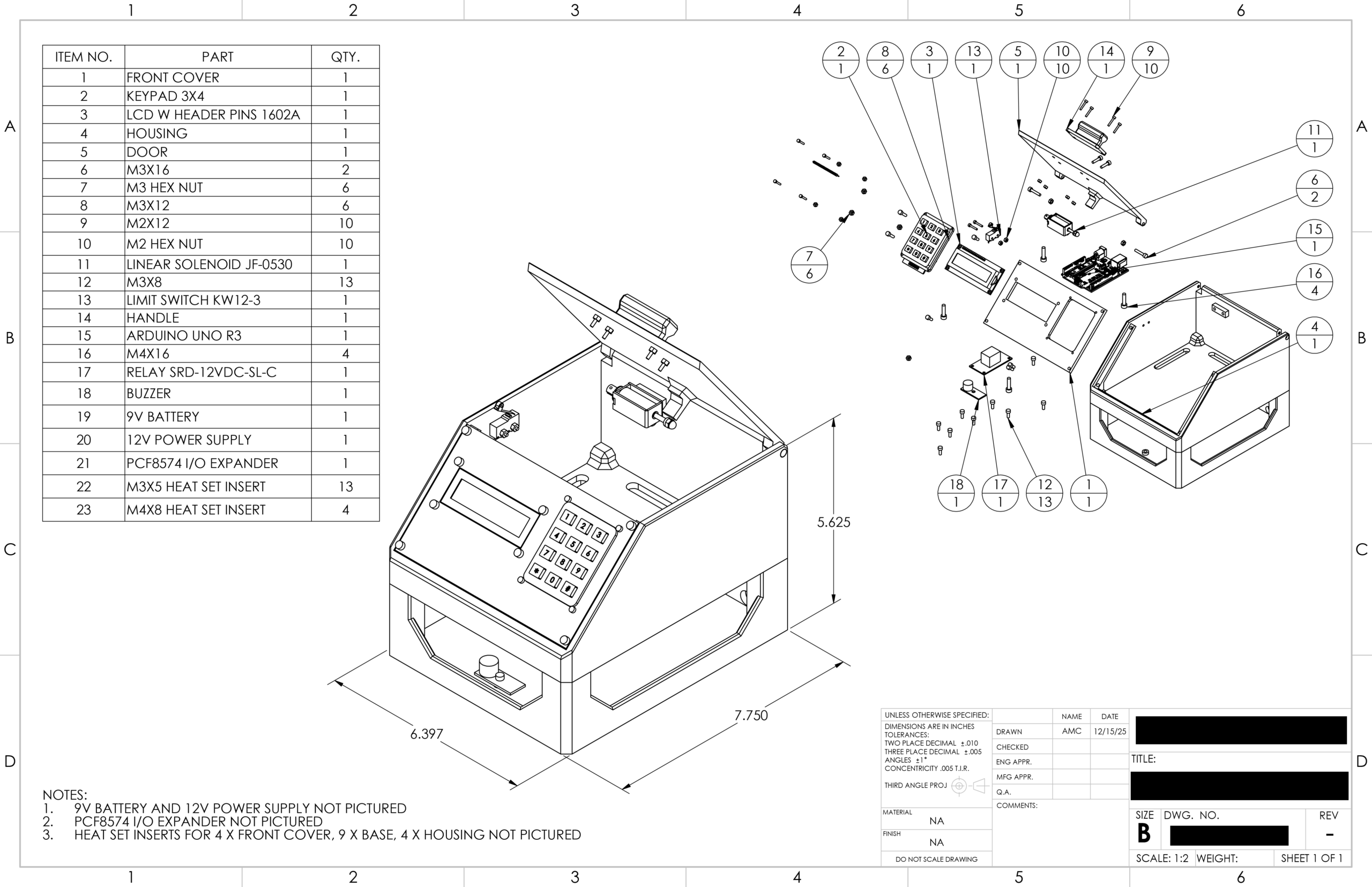
- Components & Assemblies
- 3D eDrawings
- Exploded Views & Bill of Materials (BOMs)
- ASME Y14.5-2018 Dimensioning & Tolerancing
- Geometric Dimensioning & Tolerancing (GD&T)
- Tolerance Stack-Up
- Marketing Resources